股票配资门户平台-炒股软件前十-【东方资本】,如何看股票涨幅榜,逐仓杠杆全仓杠杆,杠杆到底是什么意思

ACKST1707
儲能
磁屏蔽結構閉合磁路,抗電磁干擾強,超低蜂鳴聲.可高密度安裝。
小體積,大電流在高頻和高溫環境下保持優良的溫升電流及飽和電流特性。
低損耗合金粉末壓鑄,低電阻.結構牢固,產品精準度高。
產品信息
測試參數
阻抗曲線
插入損耗
回波損耗
L頻率
TL RMS
飽和電流
Scc21參數
Ssd21參數
共模抑制
漏感頻率
Q值曲線
產品用途
PAD,筆記本電腦,臺式機,服務器,音箱,網通,安防,手機,智能家居,儲能設備等
產品參數
樣品申請
系列
型號
PDF
電感值
(μH)
電感/
阻抗公差
測試條件
DCR
(mΩ)MAX
飽和電流
TYP(A)
溫升電流
TYP(A)
用途
狀態
工作溫度
(℃)

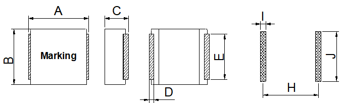
(mm)

(mm)

(mm)
封裝
屏蔽
材質
大一體成型電感
ACKST1707-1.5uH/M
1.5
±20
100KHz/1V
1.96
40
23
車規品
量產
-55~155
17.2
17
6.8
SMD
Y
合金
大一體成型電感
ACKST1707-2.2uH/M
2.2
±20
100KHz/1V
2.5
36
29
車規品
量產
-55~155
17.2
17
6.8
SMD
Y
合金
大一體成型電感
ACKST1707-3.3uH/M
3.3
±20
100KHz/1V
3.2
35
23
車規品
量產
-55~155
17.2
17
6.8
SMD
Y
合金
大一體成型電感
ACKST1707-4.7uH/M
4.7
±20
100KHz/1V
4.75
24
21
車規品
量產
-55~155
17.2
17
6.8
SMD
Y
合金
大一體成型電感
ACKST1707-6.8uH/M
6.8
±20
100KHz/1V
7.5
22.5
15
車規品
量產
-55~155
17.2
17
6.8
SMD
Y
合金
大一體成型電感
ACKST1707-8.2uH/M
8.2
±20
100KHz/1V
8.7
20
14
車規品
量產
-55~155
17.2
17
6.8
SMD
Y
合金
大一體成型電感
ACKST1707-10uH/M
10
±20
100KHz/1V
9.9
19
13
車規品
量產
-55~155
17.2
17
6.8
SMD
Y
合金
大一體成型電感
ACKST1707-15uH/M
15
±20
100KHz/1V
17
14.5
10
車規品
量產
-55~155
17.2
17
6.8
SMD
Y
合金
大一體成型電感
ACKST1707-22uH/M
22
±20
100KHz/1V
23
11.5
8.5
車規品
量產
-55~155
17.2
17
6.8
SMD
Y
合金
大一體成型電感
ACKST1707-33uH/M
33
±20
100KHz/1V
37
10.7
8
車規品
量產
-55~155
17.2
17
6.8
SMD
Y
合金
大一體成型電感
ACKST1707-47uH/M
47
±20
100KHz/1V
47
7.5
6
車規品
量產
-55~155
17.2
17
6.8
SMD
Y
合金
大一體成型電感
ACKST1707-68uH/M
68
±20
100KHz/1V
76
6.5
4.6
車規品
量產
-55~155
17.2
17
6.8
SMD
Y
合金
大一體成型電感
ACKST1707-100uH/M
100
±20
100KHz/1V
106
5
4
車規品
量產
-55~155
17.2
17
6.8
SMD
Y
合金
注釋
所有數據基于環境溫度25℃條件下測試。
電感測試條件為100kHz, 1.0V。
飽和電流:電感值下降其初始值的30%時所加載的實際直流電流值。
溫升電流:使產品溫度上升到ΔT40℃時所加載的實際直流電流值(Ta=393℃)。
特別提醒:線路設計,組件布局,印刷線路板(PCB)尺寸及厚度,散熱系統等均會影響產品溫度。
請務必在最終應用時,驗證產品發熱狀況。
保存
產品在包裝中的保存條件: 溫度 5~40°C,相對濕度小于等于 70%。
如果取出使用,剩余的產品請用膠袋密封按照以上條件保存,避免端子(電極)氧化,影響焊接狀態。
產品儲存期不建議超過 12 個月,在其他影響下,端子可能會退化,導致焊接性差。
請不要將產品保存于高溫、高濕、有塵埃、腐蝕性氣體的不適合環境中。
請小心輕放,避免由于產品的跌落或取用不當而引致的損壞。
手上的油脂會導致可焊性降低,應避免用手直接接觸端子。
相關產品